e.control.w10
Счетчик e.control.w10 предназначен для измерения электрической активной и реактивной энергии (A±R±) в трехфазных четырехпроводных цепях переменного тока, с прямым подключением по напряжению и току. Крепление на DIN-рейку, занимает место 7 модулей. Ном. напряж. 3x230/400 В, сила тока 10 (80)А, обладает классом точности 1. Имеет импульсный выход, модуль Wi-Fi.
Для технического учета.
- Призначення
Лічильник трифазний e.control.w10 ризначений для вимірювання трифазної чотирипровідної активної енергії змінного струму та інших змінних параметрів.
Виріб має Wi-Fi модуль, завдяки чому є можливість підключення до нього через мобільний застосунок з метою віддаленого зчитування та керування увімкненням/вимкненням. Його правила передачі даних відповідають вимогам Wi-Fi 802.11b/g/n.
Виріб відповідає Технічним регламентам низьковольтного електричного обладнання та електромагнітної сумісності обладнання в частині ДСТУ EN 61326-1, ДСТУ EN 61010-1.
- Технічні характеристики
Тип, Wi-Fi IVAP
Номінальний струм, А 10(80)
Номінальна напруга, В 3×230/400
Частота, Гц 50/60
Діапазон робочої напруги, В 90~300
Тип підключення прямий
Клас точності клас 1
Дисплей LCD-дисплей
LCD-дисплей, кВт.год 999999,9
Пусковий струм, мА 20
Потужність споживання, не більше
Витримувальна напруга, 60 с 4 000 В/25 мА
Wi-Fi 802,11 b/g/n, підтримує мережу 2,4 ГГц
Робоча температура, °С -40…+70
Ступінь захисту ІР20
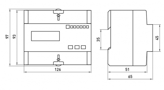
Монтаж на DIN-рейку, мм 35
(094) 85-80-879 

mail@schetchiki.com.ua
Пн-Пт 9:00-18:00
↔ заказ ч/з
Как выбрать счетчик
Многотарифный учет электроэнергии
Чем отличается электронный счетчик от индукционного?
Зависимость сечения провода от силы тока.png)
_567x185.png)
_567x185.png)
_567x185.png)
_567x185.png)
_567x185.png)
_567x185.png)
_567x185.png)
_567x185.png)

Аспекты построе-
Применение трансформаторов тока
Автоматические выключатели, УЗО и дифавтоматы
Какую лампу выбрать?